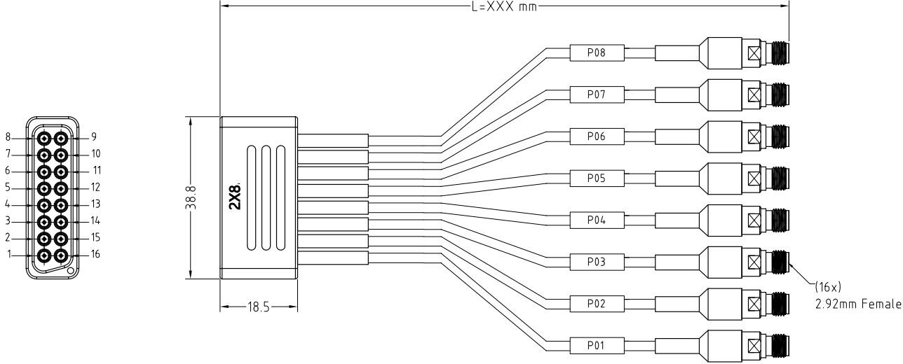
Connector 1 YH40 Female
Connector 2 2.92mm Female
Connector Body Aluminium Alloy
Cable Type Low Loss Stable Phase Test Cable
Cable Diameter 2.3mm Blue Jacket
Electrical Specifications
Impedance 50Ω
Frequency Range DC to 40GHz
Insertion Loss <5.9dB/m,DC-40G
VSWR ≤1.4, DC to 40GHz
Dielectric withstand Voltage 335 V rms
Different Cable Phase Match ±2PS
Mechanical Properties
Mechanical Life 100 cycles
Bending Radius 24mm
Environment Data
Working Temperature -55~125°C
